Midway Cabaret multi-game control panels

Multi-game capable control panel for Midway cabaret cabinets, especially MsPac and Galaga. Face surface is solid.

The center joystick and the player start buttons are fixed, but each side may contain a 2.25 inch trackball, or 0 to 3 buttons. Any unused holes are covered by the overlay.

Midway Cabaret multi-game control panels
Large image

Midway Cabaret multi-game control panel edge view
Edge view

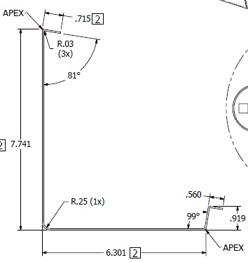
Midway Cabaret multi-game control panel measurement detail
Detailed measurements